コンパクトハイスピードカメラ Phantom Tシリーズ
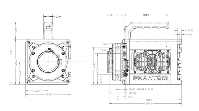
Phantom Tシリーズは 127mmx127mmx203mm、4.3kgと小型・軽量ボディに最新のテクノロジーを搭載したオールインワンモデルです。可搬性に優れ、設置場所を選びません。また堅牢性にも優れ、30Gの耐衝撃性を有します。
以下の5機種のラインナップがあります。
400万画素:高速 × 高解像度モデルT4040 / T2540
100万画素:高速特化モデルT3610 / T2410 / T2110
Tシリーズラインナップ
T4040 / 2540
9,350fps@2,560x1,664ピクセル
高解像度かつ高フレームレートで、速い現象かつ微細な部分まで取りたい現象も捉えられる、高解像度モデル
- 用途例
- 燃焼の可視化
- 流体解析(PIV)
- 高速なひずみ解析(DIC)
T3610 / 2410 / 2110
38,040fps @ 1,280×800
小型軽量、可搬性に優れ、様々な撮影シーンで使いやすい。撮影速度と解像度が柔軟に選べるため1台で多用途に使える
- 用途例
- 噴霧、インクジェット
- レーザー加工
- 衝撃波、爆発
Tシリーズの特徴
小型・軽量・堅牢ボディ

127mmx127mmx203mm、4.3kgに、高い性能が詰め込まれています。
カメラ上部にはハンドルがあり、移動が手軽にできます。
PhantomTシリーズは重心バランスが良く、三脚はもちろん、アームや装置組み込みなど様々な設置方法に対応します。
また、Phantom Tシリーズは堅牢性にも優れ、通常モデルは30Gの耐衝撃性を有します。
航空宇宙などの大規模試験や振動試験といった過酷な撮影状況にも対応します。
高速データ転送 10Gbイーサネット

VEOシリーズは、オプションの10Gbイーサネット高速インターフェースの使用により、ハイスピード撮影で問題になる、画像の転送時間を大幅に削減することができます。従来の1Gbイーサネット経由での転送に比べ、 約10倍の速さでデータ転送が可能です。 2GBの画像データを約10秒でPCに保存します。
※E-310 E-340を除く
より柔軟な視野を実現するビニングモード

4つのピクセルを1つのピクセルとして扱う「ハードウェアビニングモード」が選択可能です。
ビニングモードでは、感度、撮影速度が向上します。
また、通常モードでは撮影速度を20万fpsなど非常に高く設定する場合1,280 × 128ピクセルのような細長しか設定ができませんが、ビニングモードであれば640 ×384ピクセルのような使い勝手の良い解像度が選択できます。
これにより、高速実験のサイズと形状に合った解像度を自由に選択できるようになりました。
Phantom Tシリーズ最新事例
車両衝突時の速度計測と動体トラッキング
自動車の衝突安全性能評価や構造物の耐衝撃設計において、衝突瞬間の速度変化や挙動を正確に数値化すること...
飛翔体衝突時のアルミ板における鏡越しでのひずみ計測
事例概要 衝撃試験や衝突試験といった、特殊な環境下におけるひずみ計測は一般的なひずみゲージを用いると...
高速糸巻きをハイスピードカメラで可視化
事例概要 糸巻き工程での糸切れ、巻きズレ、テンション不良など、「なぜ起きたのか分からないトラブル」に...
小型モビリティ用水素エンジンの研究 火花点火燃焼のOH発光可視化
水素燃焼におけるUVハイスピードカメラとI.I.の撮影比較 水素燃焼は、水素が酸素と化合して水を生成...
計測請負・レンタルのご案内
ハイスピードカメラは、ご購入いただく以外に計測請負、レンタルもございます。
照明、レンズ、三脚、各種解析ソフトウェア、制御PC等も合わせてレンタル可能です。
まずは技術相談からお気軽にお問い合わせください。
計測請負
計測請負では、画像計測のプロフェッショナルが機材提案から撮影、データ提出まで行います。
失敗できない実験や撮影人員が必要な場合に最適です。
- 機材選定から撮影、データ提出まで当社が対応
- ハイスピードカメラ初心者の方も安心
- お客様は実験に集中いただけます
製品レンタル
画像計測のプロフェッショナルが可視化手法から機材までご提案します。初日に設置及び取り扱い説明をさせていただきますので、初めての方でも安心してご利用いただけます。
- 最新機種を1日単位で使える
- 初期費用を抑えてお試しできます
- 実験に最適な機材を当社が選定するので安心




